Мы используем cookie для наилучшего представления нашего сайта. Подробнее об этом в Политике конфиденциальности.
Ок

Иркутск

Ваш город:
Иркутск (Иркутская область)?
Нет
Да
Каталог
Каталог Написать в WhatsApp
Мотоэкипировка

Редуктор задний КВАДРОЦИКЛА STELS UTV 700 H EFI

Редуктор задний КВАДРОЦИКЛА STELS UTV 700 H EFI в Иркутске: актуальный каталог, цены, фото, описание. Купите редуктор задний квадроцикла stels utv 700 h efi в кредит – оформите заявку онлайн за 1 минуту!

Оригинальные запчасти

Артикул НАИМЕНОВАНИЕ Кол-во деталей в узле Примечание Наличие Цена Аналоги Фото
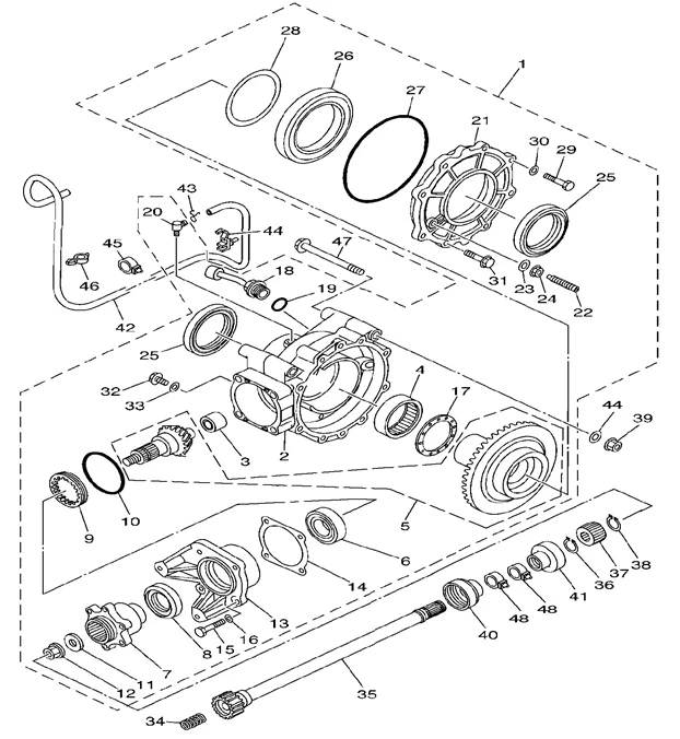
1 LU025451 Редуктор заднего моста, в сборе 26200-055-0000

Под заказ

1

Под заказ

уточнить

Купить
2 LU025452 Картер редуктора заднего моста, алюмин.сплав 26201-055-0000

Под заказ

1

Под заказ

уточнить

12 570

Купить
3 LU022552 Подшипник роликовый игольчатый HK 223013 22x30x13мм, сталь 5801-HK223013,53200-023-03-17-2

Под заказ

1

Под заказ

уточнить

1 310

Купить
4 LU022553 Подшипник роликовый игольчатый HK 556720 55x67x20мм, сталь 5801-HK556720

Под заказ

1

Под заказ

уточнить

1 310

Купить
5 LU025418 Шестерни конические задн.редуктора, ведущая и ведомая, комплект 26207-055-0000

Под заказ

1

Под заказ

уточнить

18 960

Купить
6 LU014666 Подшипник шариковый радиальный 6305 25х62х17мм 9601-6305

Под заказ

1
GB/T276-1994
GB/T276-1994

Под заказ

уточнить

1 380

Купить
7 LU025453 Фланец крепления кронштейна суппорта заднего тормоза 26505-055-0000

Под заказ

1

Под заказ

уточнить

6 570

Купить
8 LU025454 Сальник 35x61x9мм ведущего вала заднего редуктора 26231-055-0000

Под заказ

1

Под заказ

уточнить

1 330

Купить
9 LU026124 Подшипник роликовый игольчатый Hk55Bm6720 55x67x20мм, сталь 276-55BM6720

Под заказ

1

Под заказ

уточнить

Купить
10 LU022554 Кольцо уплотнительное 63.8x3.1мм, резина 26216-058-0000

Под заказ

1

Под заказ

уточнить

660

Купить
11 LU018447 Шайба 12.0х30.0х4.0мм, сталь P660-2400603_12x30x4,26234-058-0000

Под заказ

1

Под заказ

уточнить

30

Купить
12 LU016332 Гайка с фланцем ребрист.M12х1.25мм, сталь 9204-012-125

Под заказ

1

Под заказ

уточнить

80

Купить
13 LU025455 Кронштейн крепления суппорта заднего тормоза 44602-055-0000

Под заказ

1

Под заказ

уточнить

Купить
14 LU025456 Прокладка регулировочная заднего редуктора 0.1мм, сталь 26213-055-0100

Под заказ

1

Под заказ

уточнить

Купить
15 LU025457 Прокладка регулировочная заднего редуктора 0.2мм, сталь 26213-055-0200

Под заказ

1

Под заказ

уточнить

Купить
16 LU025458 Прокладка регулировочная заднего редуктора 0.5мм, сталь 26213-055-0500

Под заказ

1

Под заказ

уточнить

Купить
17 LU026128 Шайба 8.5мм, сталь 96-8.5-00

Под заказ

3

Под заказ

уточнить

Купить
18 LU025459 Шайба регулировочная заднего редуктора 55.2×66.8×1.7мм, сталь 26214-055-0100

Под заказ

1

Под заказ

уточнить

Купить
19 LU025460 Шайба регулировочная заднего редуктора 55.2×66.8×1.8мм, сталь 26214-055-0200

Под заказ

1

Под заказ

уточнить

Купить
20 LU025461 Шайба регулировочная заднего редуктора 55.2×66.8×1.9мм, сталь 26214-055-0300

Под заказ

1

Под заказ

уточнить

Купить
21 LU025462 Шайба регулировочная заднего редуктора 55.2×66.8×2.0мм, сталь 26214-055-0400

Под заказ

1

Под заказ

уточнить

Купить
22 LU025463 Шайба регулировочная заднего редуктора 55.2×66.8×2.1мм, сталь 26214-055-0500

Под заказ

1

Под заказ

уточнить

Купить
23 LU025464 Штуцер маслозаливной, заднего редуктора, сталь 26223-055-0000

Под заказ

1

Под заказ

уточнить

Купить
24 LU022555 Кольцо уплотнительное 19.4x2.3мм, резина 26222-058-0000,26222-055-0000

Под заказ

1

Под заказ

уточнить

450

Купить
25 LU025465 Штуцер дренажный заднего редуктора, сталь 26233-055-0000

Под заказ

1

Под заказ

уточнить

Купить
26 LU025466 Крышка заднего редуктора, алюмин.сплав 26202-055-0000

Под заказ

1

Под заказ

уточнить

3 750

Купить
27 LU025467 Винт регулировочный заднего редуктора M8x45мм, сталь 882-8-00

Под заказ

1

Под заказ

уточнить

Купить
28 LU016810 Гайка с фланцем ребрист. M8х1.25мм, сталь 9204-08-125,B0407080005L

Под заказ

2

Под заказ

уточнить

40

Купить
29 LU018450 Кольцо уплотнительное 150.0х3.1мм, резина 9451-1500-31

Под заказ

2

Под заказ

уточнить

90

Купить
30 LU025468 Шайба регулировочная заднего редуктора 86x100x0.1мм, сталь 26241-055-0000

Под заказ

1

Под заказ

уточнить

Купить
31 LU025469 Шайба регулировочная заднего редуктора 86x100x0.2мм, сталь 26241-055-0100

Под заказ

1

Под заказ

уточнить

Купить
32 LU014078 Винт с цилиндр.головк.и шестигр.шлицем M8х1.25х 25мм, сталь 9132-08-025

В наличии

1
сталь
сталь

В наличии

330

70

Купить
33 LU019607 Винт с цилиндр.головк.и шестигр.шлицем M8х1.25х 20мм,сталь 9132-08-020

В наличии

4

В наличии

170

50

Купить
34 LU025470 Пружина (сжатие) вала привода заднего моста 16.5x2.0x30мм 26508-055-0000

Под заказ

1

Под заказ

уточнить

700

Купить
35 LU025471 Вал привода заднего моста 26501-055-0000

Под заказ

1

Под заказ

уточнить

12 230

Купить
36 LU032173 Вал привода заднего моста, в сборе 26501-055-0000A

Под заказ

1

Под заказ

уточнить

Купить
37 LU022551 Кольцо стопорное, вала привода 20.5x1мм, сталь 894.1-20.5-00

Под заказ

2

Под заказ

уточнить

350

Купить
38 LU022549 Муфта шлицевая вала привода заднего моста 26504-058-0000,26504-055-0000

Под заказ

1

Под заказ

уточнить

3 800

Купить
39 LU018130 Гайка с фланцем самоконтр.M10х1.25мм (зелен), сталь 9203-10-125

Под заказ

2

Под заказ

уточнить

70

Купить
40 LU025663 Шланг дренажный редуктора заднего моста 4.5×1320мм, резина 26247-055-0000

Под заказ

1

Под заказ

уточнить

Купить
41 LU016423 Хомут пружинный 8 мм, сталь 50307BM0T000,50306B20T000,91503-055-0000,50306J00P000

Под заказ

1

Под заказ

уточнить

60

Купить
42 LU021764 Шайба 10.5x30.0x2.5мм, сталь 9501-105-300-25, 505L134

Под заказ

1

Под заказ

уточнить

60

Купить
43 LU025316 Хомут 12мм, сталь 50QT-7 -0200000006

Под заказ

1

Под заказ

уточнить

Купить
44 LU025665 Клипса крепежная 9мм, пластик 91511-055-0000

Под заказ

1

Под заказ

уточнить

Купить
45 LU014303 Болт с фланцем M10×1.25×125/26мм , сталь A050277-41

Под заказ

2
M10×P1.25×125L
M10×P1.25×125L

Под заказ

уточнить

Купить
46 LU025667 Хомут пыльника вала привода 18-32мм, сталь 26506-055-0000

Под заказ

2

Под заказ

уточнить

Купить

Нулевая цена не означает отсутствие товара. Оформите заказ, и менеджер сообщит вам цену и наличие товара, предварительно запросив их у поставщика

Главная Магазины
Корзина0
Профиль